6502 HEX MONITOR LISTING (continued)
FFEB
FFED
FFEF
FFF2
FFF4
FFF7
FFF8
FFFA
FFFC
FFFE
90 02
69 09
2C 12 D0
30 FB
8D 12 D0
60
00 00
00 0F
00 FF
00 00


ECHO



(unused)
(NMI)
(RESET)
(IRQ)
BCC ECHO
ADC #$06
BIT DSP
BMI ECHO
STA DSP
RTS
Yes, output it.
Add offset for letter.
DA bit (B7) cleard yet?
No, wait for display.
output character. Sets DA.
Return.



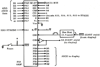
HARDWARE NOTES
Page 0 Variables
XAML
XAMH
STL
STH
L
H
YSAV
MODE
24
25
26
27
28
29
2A
2B
Other Variables
IN
KBD
KBD CR
DSP
DSP CR
200-27F
D010
D011
D012
D013



KBD/DSP Interface






- 7 -