Atmel's AT89C2051 Microcontroller

By Dhananjay V. Gadre

Dr. Dobb's Journal July 1997

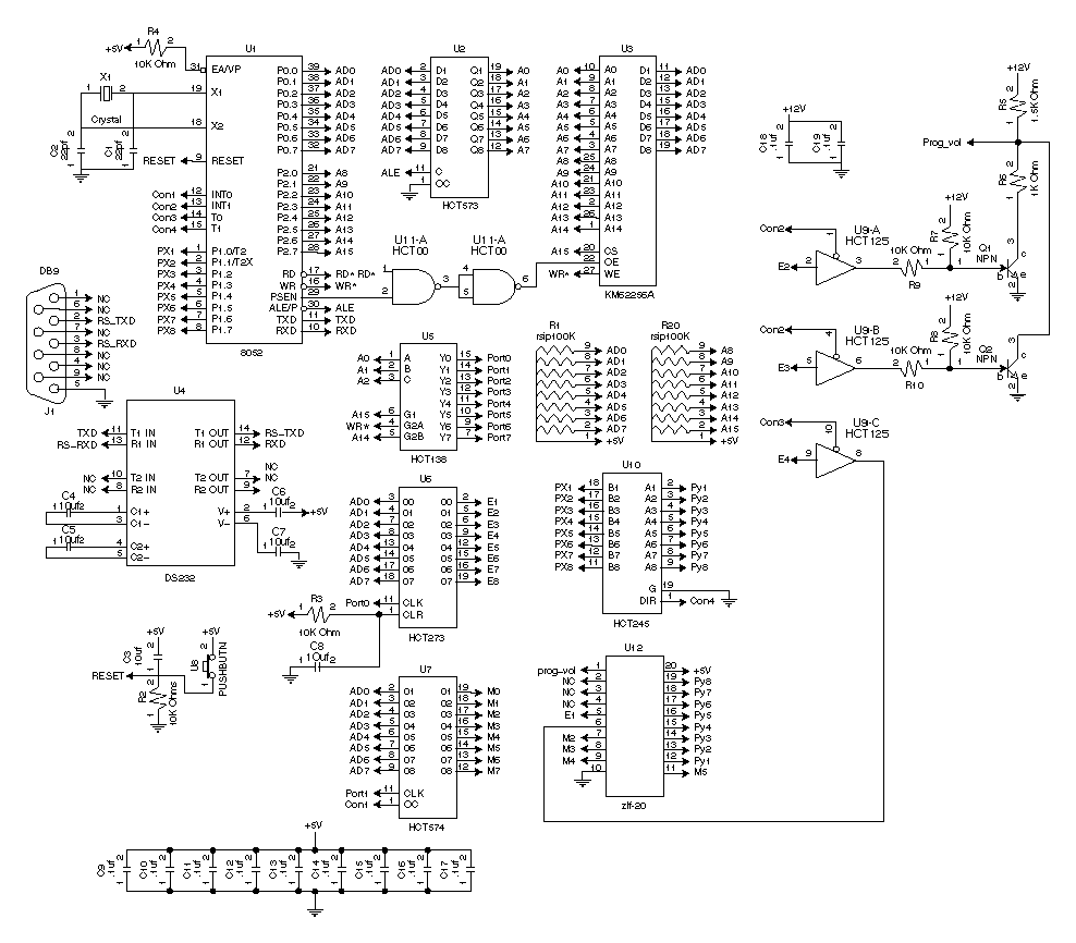
Figure 3: Programmer for the AT89C2051. All resistors are 5 percent CFR, except R5 and R6, which are 1 percent MFR. Transistors are BC547.

Back to Article


Copyright © 1997, Dr. Dobb's Journal