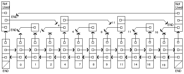
Figure 4: Inserting 0 raises heights of 1 and 4.

Back to Article