Texas Instruments

SC In the News
Blue Band

 Related Documentation:
Mixed-Signal and Analog Products

Amplifier and Comparator Products

TI's Class-D Audio Power Amplifiers Take the Spotlight

First Fully Integrated Stereo Class-D Audio Power Amplifier Extends Battery Life by 300 Percent over Class-AB Amplifiers

Architectural and Process Advances Make Class-D Amplifiers the Solution for Audio Systems in Portable Applications

Profile of TI's Audio Power Amplifier Products

 News Releases

 Publications:
Details on Signal Processing
Integration Magazine
Mixed Signal Showcase

Trade Shows Trade Shows

 Search the News Archives

Reader Inquiry: 1-800-477-8924, ext. 5300
Please refer to Event Code: MSP323

First Fully Integrated Stereo Class-D Audio Power Amplifier Extends Battery Life by 300 Percent over Class-AB Amplifiers

New Audio Applications Enabled by Lowering System Costs, Size and Weight

DALLAS (Aug. 24, 1998) -- Designers of portable electronic systems, such as handheld PCs, personal digital assistants, wireless telephones, portable music systems and others, will be able to reduce power consumption, system size and cost with a new Class-D audio power amplifier (APA) from Texas Instruments (TI). The device will extend the battery life and reduce the size and cost of power supplies in portable systems because it is three times more power-efficient than the older Class-AB APAs.

"The time has come for Class-D audio amplifiers," said Steve Goacher, new product development manager for TI's Advanced Analog Products. "With a fully integrated solution, designers can have a system that will be very competitive in the marketplace because it will produce quality sound with longer battery life. With these factors at work, we will start to see audio emerge into new segments, previously limited by available supply power."

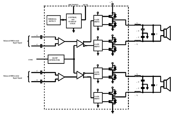
TPA005D02 Diagram The new device is the first in TI's new family of Class-D APAs and is designated as the TPA005D02. The TPA005D02 is a stereo Class-D amplifier capable of driving stereo speakers at 2 Watts (W) continuously with 5 W peaks. The device is the first in the industry to integrate the control circuitry and stereo output stage on a single monolithic die.

Until now, linear Class-AB audio amplifiers have been used in most portable systems, but advances in the sound quality of Class-D APAs and their power-efficiency advantages over Class-AB APAs is causing a shift toward Class-D devices. Class-D APAs feature a different, more efficient architecture than Class-AB. Unlike Class-AB devices, which typically waste more than 75 percent of their input power as heat, Class-D APAs dissipate as little as 10 percent of their input power. With power-efficiency in the 80-90 percent range or three times that of Class-AB amplifiers, Class-D APAs generate significantly less heat, which simplifies system assemblies and improves reliability. Because of their greater efficiency, Class-D APAs require smaller power supplies and eliminate heat sinks, significantly reducing overall system costs, size and weight.

The TPA005D02 device is well suited for battery operated applications because of its efficient utilization of supply current as well as its low-power shutdown mode. When not in use, the TPA005D02 can shift into a shutdown mode where it consumes just 400 micro-amps of power. With a 5V supply, the TPA005D02 will drive 4-ohm stereo speakers and has a very low total harmonic distortion level plus noise (THD+N) of just 0.5 percent across the entire audio frequency range.

Full Design Support

To help designers implement Class-D audio power amplifiers, TI has developed an evaluation module (SLOP223) fully compatible with its APA Plug 'n Play Platform, the only one of its kind in the industry. To help maximize sound quality, a comprehensive application note on low-pass filtering will be available later in the third quarter of 1998. Full documentation for the TPA005D02 includes a User's Guide with reference designs and schematics. Gerber files are available upon request.

Pricing and Availability

The TPA005D02 is packaged in a thin shrink small outline package (TSSOP). The device is expected to be available from TI and its authorized distributors late in the third quarter of 1998. Suggested resale pricing in quantities of 1,000 is anticipated to be $3.48.

More information about TI's audio power amplifier products is available on the World Wide Web at http://www.ti.com/sc/class_d.htm

# # #

(c) Copyright 1998 Texas Instruments Incorporated. All rights reserved.
Trademarks, Important Notice!