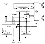
68HC05 CPU and Peripheral Overview

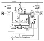
Click on any block diagram to enlarge

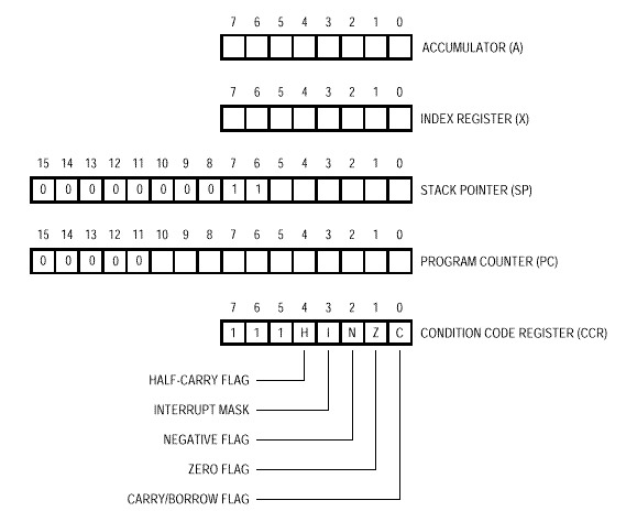
68HC05 Central Processor Unit (CPU05)

  • Efficient, easy-to-use instruction set
  • Single-byte multiply instruction
  • True bit manipulation
  • Eight flexible addressing modes produce compact code
  • Easy table accesses using indexed addressing with 8-bit or 16-bit offset
  • 8-bit accumulator and index registers
  • Up to 4 MHz internal bus speed at 5 V
  • Up to 2 MHz internal bus speed at 3 V
  • Versatile interrupt handling reduces software overhead
  • RAM-based stack for nested interrupts
  • Multiple interrupt vectors reduce polling
  • Fully static, low-power design with stop and wait modes

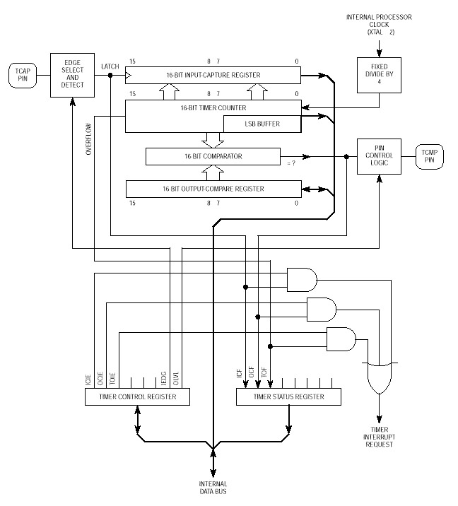
  • 16-Bit Timer Subsystem
    A single 16-bit, free-running counter provides the timebase for three basic timing functions:
  • Output compare function can be used for:
  • Periodic interrupt
  • Variable output frequency
  • Pulse-width modulated output frequency
  • Single-pulse output, variable width
  • Input capture function can be used for:
  • Input period measurement
  • Input pulse-width measurement
  • Additional external interrupts
  • Timer overflow function can be used for:
  • Measuring long time intervals
  • Generating periodic interrupts

  • 15-Bit Multi-Function Timer (MFT)
    Some 68HC05s include the MFT instead of, or in addition to, the 16-bit timer subsystem.
  • Software readable 8-bit timer count register (TCR)
  • Additional 7 bits of ripple counter driven by TCR overflow that forms a time reference for multiple functions
  • TCR Overflow Interrupt
  • Power-On Reset
  • Real-Time Periodic Interrupt
  • COP Watchdog Timer

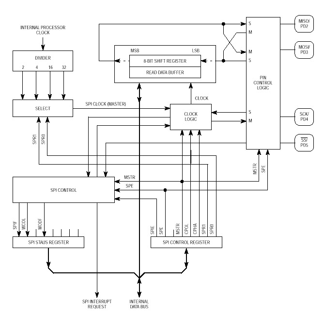
  • Serial Peripheral Interface (SPI)
    The SPI communicates synchronously over short distances (usually on a single PCB) at high speed. The SPI allows the microcontroller to communicate with peripheral devices such as a simple shift register, a serial EEPROM, or a complete LCD or ADC subsystem.

  • Full-duplex, three-wire synchronous transfers
  • Master or slave operation
  • 1 MHz master serial bit rate with 2 MHz MCU bus rate
  • 2 MHz slave serial bit rate with 2 MHz MCU bus rate
  • Four programmable master bit rates
  • Programmable clock polarity and phase
  • End of transmission interrupt flag

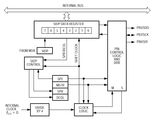
  • Serial I/O Port (SIOP)
    The SIOP is a simplified version of the SPI with:

  • Fixed clock polarity
  • Fixed serial data direction (suitable for single master systems only)
  • No slave select pin
  • MSB first or LSB first data transfers

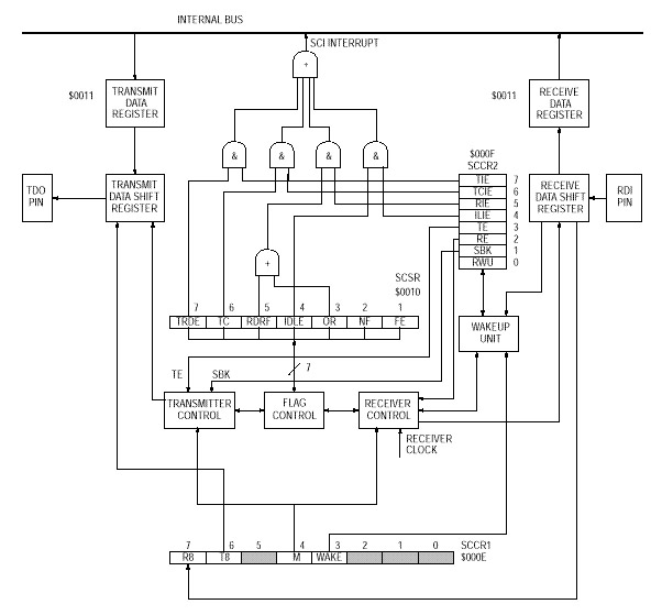
  • Serial Communications Interface (SCI)
    The SCI is a serial UART-type asynchronous communications system. The SCI can be used for communications between the microcontroller and a terminal, a computer, or a microcontroller network. A typical SCI application is long-distance communications (RS-232).

  • Standard mark/space non-return-to-zero format
  • Double buffered receive and transmit
  • Advanced data sampling technique and error detection
  • Detects noise up to 1/16 bit time
  • Programmable 8-bit or 9-bit character length
  • Address mark or idle line wakeup
  • Programmable baud rate generator
  • Full-duplex or half-duplex operation
  • Parity generation and checking
  • Communication may be interrupt driven

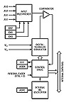
  • Analog-to-Digital Converter (ADC)
    The ADC periodically samples external analog signals and produces corresponding digital values. Typical applications are measuring analog inputs like battery voltage, temperature, pressure, or fluid levels.

  • Linear successive approximation
  • 8-bit resolution
  • Conversion complete flag
  • Selectable ADC clock
  • Conversion time of 16 (sec with 2 MHz bus clock
  • Analog multiplexer allows variable number of channels with a single ADC

  • Memory Options

  • Fully static designed RAM
  • One time programmable and windowed EPROM
  • Mask programmed ROM
  • Byte erasable EEPROM



  • 68HC05 Products by Market/Application



    68HC05 General-Purpose Microcontrollers

    68HC05 C Family:
    These flexible, general-purpose devices feature a wide variety of memory options capable of handling complex programs. On-chip Serial Communications Interface (SCI) provides asynchronous communications, with software-selectable baud rates up to 250 K. The high-speed, synchronous 4-wire serial system Serial Peripheral Interface (SPI) is ideal for driving off-chip displays and peripherals. The 68HC705C8A is Motorola's most popular One Time Programmable (OTP) microcontroller.

    All C Family devices include a powerful 16-bit, free-running, programmable counter in conjunction with input capture and output compare functions for simultaneous input waveform measurement and output waveform generation. A watchdog timer guards against runaway software in noisy environments.

    68HC05 J and KJ Families:
    These 16- and 20-pin families provide a low-cost, low pin count, 8-bit upgrade for existing 4-bit applications. They combine a powerful 68HC05 CPU with a flexible, 15-stage multi-function timer and real-time interrupt capability. The 68HC705KJ1 is Motorola's most cost-effective One Time Programmable (OTP) microcontroller.

    68HC05 JJ and JP Families:
    These 20- and 28-pin devices are popular in diverse applications where A/D measurements are required with up to 12 bits of resolution.

    68HC05 P Family:
    This family offers an extremely cost-competitive 28-lead variety of microcontrollers with a selection of ROM sizes and special features such as Serial Input/Output Port (SIOP) to control display drivers and communicate with other peripherals. Other options include A/D input and on-chip EEPROM for non-volatile data storage. Low-voltage and high-speed versions are also available. The 68HC705P6A is Motorola's most popular One Time Programmable (OTP) microcontroller with an Analog-to-Digital Converter (ADC).

    68HC05 B Family:
    This family offers EEPROM memory and more I/O including Analog-to-Digital Converters (ADC), Pulse-Width Modulators (PWM), and Serial Communications (SCI+). The 68HC705B16 is Motorola's most popular One Time Programmable (OTP) microcontroller that includes both EPROM and byte erasable EEPROM memories.


    Automotive

    68HC05 B Family:
    EEPROM memory in these devices makes it possible to store information that must be retained after the power is removed. Applications include electric seat control (storage of seat positions) and audio systems (storage of radio stations). The B Family has eight different versions from the popular 68HC05B6 to the new 68HC05B32.

    68HC05 C and D Families:
    These general-purpose microcontrollers are used for cruise control, ignition systems, and entertainment systems.

    68HC05 J, K, KJ, and P Families:
    With their low pin count and low cost, these devices are ideal for automotive applications such as car alarms, power windows, keyless entry, and air bags.

    68HC05 PV Family:
    Integrating a 5 V regulator, op amps, high-voltage/current capability, ADC, PWM, and EEPROM, the PV Family will significantly reduce the cost and size of control modules for a wide range of car management functions.

    68HC05 V and X Families:
    Both these groups contain integrated automotive multiplex interfaces that allow them to talk to other electronic modules within a vehicle. The V Family adds an on-chip voltage regulator.


    Computer

    68HC05 BD Family:
    These MCUs are ideal for computer monitor applications. They include a horizontal and vertical sync processor as well as up to 16 channels of pulse-width modulation.

    68HC05 C Family:
    These are general-purpose devices for keyboard and monitor control.

    68HC05 J, P, and E Families:
    These low-cost, low pin count devices are appropriate for applications like cordless PC mice and trackballs.

    68HC05 JB Family:
    The 68HC705JB3 and 68HC705JB4 integrate a Universal Serial Bus (USB) interface. These 20- and 28-pin count devices are used in computer applications like trackballs, mice, and game pads.


    Consumer

    68HC05 C and D Families:
    The multiple communication lines (I/O ports, SCI, and SPI) and free-running timer in this group of devices make it possible to execute several tasks in parallel. These features are used in consumer products like CD players, automotive entertainment systems, and remote controls.

    68HC05 J, KJ, K, and P Families:
    These cost-effective microcontrollers are used in diverse consumer applications such as washing machines, oven controls, and remote controls.

    68HC05 L Family:
    These low-power, small-footprint devices can drive large LCD displays, making them ideal for hand-held consumer products like portable CD players.


    Industrial

    68HC05 B Family:
    On-chip features include byte erasable EEPROM, 8-channel, 8-bit A/D converter, and Pulse-Length Modulated outputs. Typical industrial applications include Programmable Logic Controllers (PLC) and data acquisition systems.

    68HC05 C and D Families:
    These general-purpose devices can be used in applications such as process control systems where multiple I/O lines and LED outputs are required.

    68HC05 J, KJ, and P Families:
    These devices are popular in low-cost industrial applications such as smoke detectors, security devices, thermostats, and furnace ignition systems.

    68HC05 JJ and JP Families:
    These 20- and 28-pin devices are popular in industrial applications where A/D measurements are required with up to 12 bits of resolution.

    68HC05 L Family:
    These multi-port controllers have an LCD driver, 16-bit timer, and watchdog timer on board. Excellent for display panels requiring tone output and low-power consumption such as thermostats and alarms.

    68HC05 X Family:
    These devices have Controller Area Network (CAN) interfaces with 4 Kbytes through 32 Kbytes ROM for integrated messaging on factory automation, sensor, and switch applications.


    Telecommunications

    68HC05 B Family:
    These devices can store user-programmable telephone numbers in 256 bytes of non-volatile EEPROM memory. They can also interface with analog inputs like voltage by using the A/D module for measuring battery life in hand-held equipment. The D/A module can be used to control analog outputs such as telephone volume and line cards.

    68HC05 C Family:
    This group of microcontrollers has proven useful as general-purpose devices for communications applications in phones and answering machines.

    68HC05 F and PL Families:
    These devices include an on-chip Dual-Tone Multi-Frequency Generator (DTMF) for telecommunications applications, including auto dialing, number storage, and display control.

    68HC05 J, KJ, and P Families:
    These low pin count, cost-effective microcontrollers have a variety of telecommunications uses, with features ranging from EEPROM to multi-function timers.

    68HC05 L Family:
    With its large LCD driving capability and low-power consumption, this family is well-suited to applications in hand-held communication equipment. The on-chip tone generator and display functions can be used in pager systems to alert users to incoming messages.



    68HC05 Development Tools Overview

    Real-Time In-Circuit Development Kits
    With Motorola's modular approach, you get real-time, in-circuit emulation in either of two versions: the high-performance Motorola Modular Development System (MMDS) or the economical Motorola Modular Evaluation System (MMEVS). The MMEVS is a two-board system which, when connected to your target system, acts just as the actual target device would. The MMDS offers even more features than the MMEVS - with powerful, advanced debugging tools, including an integrated bus state analyzer and a dual-port RAM memory window.

    Economical Integrated Development Kits
    Motorola's In-Circuit Simulator (ICS) Kits are our lowest cost tools for developing and debugging target systems incorporating the MC68HC705KJ1, MC68HC705J1A, MC68HC805K3, MC68HC705P6A, MC68HC705B16, MC68HC705C8A, or MC68HC705C9A microcontrollers. They provide an innovative interface to a user's target system for Windows®-based editing, assembly, software simulation, programming, and in-circuit simulation. In-circuit simulation allows you to use the actual inputs and outputs of your target during simulation of your code. Everything a designer needs to develop and debug products is included in the ICS kits, including samples, documentation, application notes, and cables.