Texas Instruments

Mixed Signal & Analog Showcase
Blue Band

Mixed Signal & Analog Showcase

Inside

Showcase (Volume 23) is available in HTML and PDF format. - 319KB

Programmable dual DACs let designers trade power for speed

Product Features

  • Serial CMOS DAC with voltage output
  • 10-bit TLC5617
  • 12-bit TLC5618
  • 5-V single-supply
  • 20 MHz system clock
  • 1.21 MHz update rate
  • 3-Wire serial interface
  • Glueless interface to TMS320 DSPs
  • Characterized for operation from 0°C – 70°C

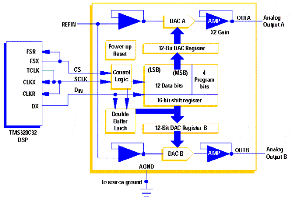
These new, programmable, dual 12-bit and 10-bit digital-to-analog converters (DACs) offer designers high-speed and low power in combination with an easy interface to TI's line of TMS320 digital signal processors (DSPs).

Both the TLC5618 (12-bit) and TLC5617 (10-bit) feature settling-time vs. power consumption programmability (12.5-µs / 3-mW slow mode and 2.5-µs / 8-mW fast mode) and a software programmable power down mode (to 1 µA). They also offer a high-impedance buffered reference input and simultaneous or independent updates of both DACs in the package. Both devices also have a power-on-reset function that ensures repeatable power-up conditions.

The TLC5618 is a 12-bit DAC perfectly suited for applications such as cellular telephones, battery operated industrial controls, remote industrial controls, and machine and motion controls. The 16-bit digital control data is obtained over a 3-wire serial bus that is CMOS compatible.

The TLC5618 and TLC5617 are available in 8-pin SOIC packages.

The Growing TLCC56xx Family of Serial Input, Voltage Output,
Easy to use DACs from TI
Device Number
Resolution
Description
TLC5615
TLC5617
TLC5618
10
10
12
Single
Dual, Programmable
Dual, Programmable

TLC5617ID

TLC5618ID

Vol 23 August, 1997

(c) Copyright 1998 Texas Instruments Incorporated. All rights reserved.
Trademarks, Important Notice!