Texas Instruments

Mixed Signal & Analog Showcase
Blue Band
Mixed Signal & Analog Showcase

Inside

Showcase (Volume 27) is available in HTML and PDF format. - 179KB

PowerFLEX™, a low-cost alternative to TO-220

High performance PLL clock drivers

Digital control loop for 3-phase brushless dc motor

Cost-effective gigabit ethernet transceiver

SN75LVDM976, industry's first discrete dual mode LVDS SCSI transceiver

TRF2050, a 1.2 GHz fractional-N/integrator-N syntheszier

New external memory interface provides 8 hour speech duration

Sine-on, TI's information service for analog engineers

Digital control loop for 3-phase brushless dc motor

Product Features

  • RPM control with embedded DSP filter algorithm
  • EEPROM registers
  • Standalone operation
  • Integrated driver configured for 3-Ø brushless motors
  • System development software package
  • Characterized for operation: TPIC43T01: 0°C to 70°C
    TPIC1310: –40°C to 125°C

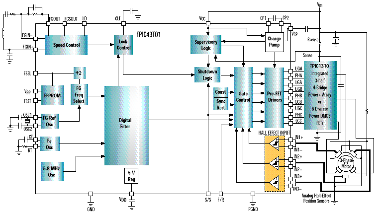
The TPIC43T01 is a monolithic device designed to provide RPM control to a 3-phase brushless DC motor. The controller is the industry’s first to feature an EEPROM programmable digital filter providing increased flexibility and minimized design efforts. The TPIC43T01’s gate drive outputs are designed to drive six external discrete N-channel power FETs or an integrated driver such as the new Power+ Array™ TPIC1310. As a chipset, the TPIC43T01 and TPIC1310 offer enhanced functionality and lower cost which makes it a very attractive solution for high performance motor control applications.

In addition, Texas Instruments provides a PC based Windows® compatible software package to input the motor and system characteristics and select the digital filter coefficients to stabilize the system. The software program outputs control parameters to a JEDEC compatible file to program the TPIC43T01 through a third party device programmer.

The TPIC43T01 provides a variable reluctance speed sensor interface and a Hall- effect position interface. The speed interface receives an external sinusoidal signal and converts it to a digital speed input for lock detect. The core of the control circuit is a hardware implementation of a digital signal processing algorithm consisting of a digital integrator and filter. User programmable filter coefficients set compensation pole and zero to stabilize the system response. Programmable parameters are stored in an internal EEPROM.

TPIC43T01

Features/Benefits
  • Digital Control: Enables one main feedback loop to simplify design of phase-lock-loop response
    Eliminates external control loop compensation components to reduce parts count
    PWM power conversion for high efficiency

  • User programmable: Frequency divide by select to set motor target RPM
    External speed control input for real-time select of fast/slow RPM
    Improved precision allowing lower-tolerance external discrete components to reduce cost
    Digital filter pole and zero for optimized system response
    Coast mode to provide softer operation during out-of-lock conditions
    Synchronous rectification mode to recirculate current through the FETs for reduced power dissipation

  • On-board functions and protection for enhanced performance and improved reliability: Under-voltage lockout protection
    Power-up clear
    Shutdown logic
    Watch-dog timer
    Current-limit/over-current shutdown
    Charge pump

The TPIC1310 is a monolithic gate-protected power DMOS array that consists of six electrically isolated N-channel enhancement-mode DMOS transistors configured as a three-half H-bridge. When used with the controller TPIC43T01, the TPIC1310 allows the customer the ability to optimize the current switching capability of the output stage.

TPIC1310

Features/Benefits
  • Low rDS(on) of 0.25 for minimized power dissipation
  • 30-V capability for extended voltage operation
  • 3-A continuous current for increased motor drive
  • Input transient and ESD protection for increased reliability

The TPIC43T01 is available in a 38-pin plastic thin small-outline surface-mount package (DA) for reduced printed board space requirement. The TPIC1310 is available in the low-cost 15-pin through-hole (KTS) and surface-mount (KTR) PowerFLEX™ packaging.

Applications:

  • EDP – printers, copiers, fax machines, scanners, plotters
  • Industrial – fans, motion control applications

TI&ME

(c) Copyright 1998 Texas Instruments Incorporated. All rights reserved.
Trademarks, Important Notice!